板框滤油机用途和特征
用途
板框压力式滤油机主要用于电厂、电站、工矿企业的变电所(室)润滑油库、拖沓机站、石油、化工、冶金、国防工业等单位过滤变压器油、透平油、真空液压油、极压齿轮油、机械油及其它润滑油中的水份和杂质,,,,,是真空净油机、透平油过滤机用于前置初过滤的理想装备。。。。
因受齿轮结构及装置结构的限制,,,,,对高粘度的油液不适用;;;对汽油、煤油等无滑性的油类,,,,,可凭证用户需要选用特殊质料用配用特种电机。。。。当油液粘度较大时,,,,,应先将油加热(如接纳我厂生产的 DJL 系列加热装置),,,,,以降低油液粘度而便于过滤。。。。如油液太脏,,,,,可先接纳沉淀的要领,,,,,将大宗的杂质除去后再用本滤油机举行过滤。。。。
LY 型设计的全新型板框压力式滤油机,,,,,通过配备特殊推进式油泵,,,,,其 吸程和对油的粘度的适用规模比原来提高了一倍以上,,,,,噪音也在原来的基 础上有很洪流平的降低。。。。

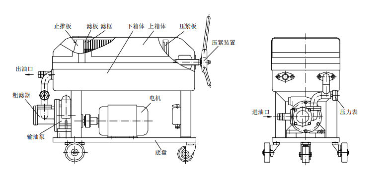
主要结构特征
滤油机是由过滤床,,,,,输油泵和粗滤器等部分组成的可移动装置。。。。 过滤床是一种一连操作的,,,,,在压力作用下向侧面过滤的过滤器组压入 脏油,,,,,它是由成套的顺序交替排列的滤板和滤框以及包括有手动螺旋压紧 装置、压紧板的机构组成。。。。滤板和滤框的侧面有“耳子”支持于机架的托 板上,,,,,滤板和滤框间衬有作为过滤介质的滤纸或滤布,,,,,借压紧装置的压力,,,,, 将滤板和滤框压紧在牢靠的止推板和滤框之间的滤纸或滤布,,,,,起过滤作用。。。。
在滤板和滤框响应位置上设有两个通液孔,,,,,当压紧后组成为两条完整的通 道,,,,,耳子呈三角形的一边导入脏油,,,,,经由滤室过滤后,,,,,从另一边响应通道 (在耳子呈扇形的一边)引出清洁的油。。。。 过滤时脏油经输入通道分派到各个滤框内,,,,,通过滤纸后进入滤板的通 液孔,,,,,清洁的油搜集于输出通道内,,,,,倾轧机外。。。。而脏物留在滤纸外貌上,,,,, 脏油中的少量水份被滤纸中的毛细管吸收,,,,,当滤纸外貌的滤渣逐渐增厚及 滤纸中的水份含量增多,,,,,过滤阻力增添,,,,,当增添到一定水平(一样平常为 0.2~0.35Mpa)应阻止过滤,,,,,替换或洗濯滤纸,,,,,再继续使用。。。。 齿轮泵与电念头用弹性橡胶垫联接,,,,,为阻止压力过高造成机械事故,,,,, 在油泵的下部设有清静阀(产品出厂时已调理到划定的最高压力 150%PN)。。。。 凭证用户需要可将清静阀设定在较低的数值上,,,,,但一样平常不允许调理到凌驾 划定的最高压力值。。。。
齿轮泵和电念头装在过滤床的下面,,,,,油泵输出的液体通过排送管、止 推板运送到过滤部分。。。。 齿轮泵的齿轮由转动轴承支承,,,,,它是靠油泵自己运送的油液来润滑的。。。。 粗滤器装置在油泵的吸入端,,,,,它的作用是避免大颗粒杂质进入油泵,,,,,
板框滤油机的结构简朴,,,,,使用规模广,,,,,价钱比真空滤油机低,,,,,是中小企业的首选。。。。


